Nuevas pistas en caso Nisman: un pasadizo al departamento del fiscal, pisadas y una huella digital
Una nueva pista podría dar un giro de 180 grados a la investigación de la muerte del fiscal federal Alberto Nisman, hallado sin vida el domingo pasado con un tiro en la sien en su baño junto con una pistola calibre 22 y un casquillo en su departamento del edificio Le Parc en Puerto Madero
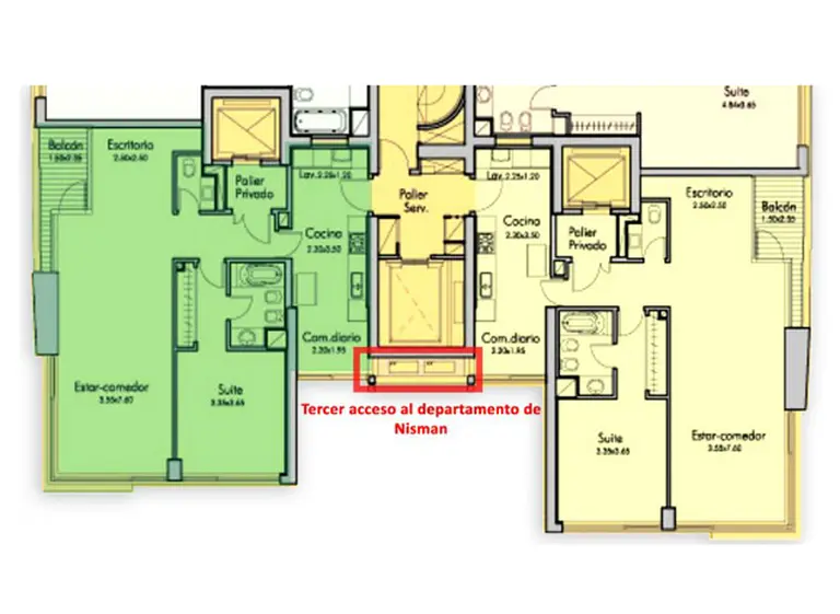
Tras la investigación realizada en la propiedad, este miércoles descubrieron un tercer acceso a la casa del funcionario judicial, en el que detectaron una pisada y una huella digital.
Según indicaron a la agencia DyN fuentes cercanas a la causa, ese pasadizo comunica, de un lado, con el departamento en el que habitaba Nisman, y del otro, enfrentados ambos livings, con otro que está habitado por un ciudadano extranjero, que no es de origen iraní, y en el que están ubicados equipos de aire acondicionado.
El pasillo es un estrecho desfiladero. Los equipos de refrigeración están situados contra una larga pared y hay sobre el lado opuesto una suerte de barral de protección, por el que se desplazan, entre otros, los técnicos que son convocados a repararlos.
En uno y otro extremo hay pequeñas puertas metálicas, que los investigadores tratan de determinar de qué manera -si es que hay alguna- se podían cerrar y trabar por dentro.
En el nuevo acceso, detectaron una pisada de apariencia reciente en el piso, y sobre el barral de protección, una huella digital.
Ambos rastros ya fueron levantados y enviados a analizar, para determinar si se corresponden con algún técnico en reparación que hubiera actuado allí recientemente, o representa algo diferente.
El estrecho pasillo está situado en el decimotercer piso de la torre y caminando sólo se puede acceder desde el interior de uno u otro departamento, y debido a la altura de la construcción para ingresar por el exterior sería necesario descolgarse desde la azotea o trepar desde la planta baja.
La investigación está centrada en determinar si la pisada y la huella encontradas tienen o no relación con el hecho.

¿Qué hacía Berni en el departamento?
Los ojos de la oposición política están puestos en el secretario de Seguridad Sergio Berni, quien llegó a la torre Le Parc minutos antes que la fiscal del caso, Viviana Fein, punto que abrió sospechas en la opinión pública.
¿Llegó antes que el juez y la fiscal? Lo cierto es que el funcionario desmintió haber alterado el lugar del hecho y afirmó que la propia madre del fiscal Nisman le había solicitado en ese momento resguardar todas las pruebas que se encontraban en el departamento.
Berni definió de una "canallada" la polémica desatada advirtió que son "discusiones de tipo político" y que "eso ha quedado más que claro" con la negativa de la fiscal Viviana Fein de citarlo por este tema.
En este escenario, el Secretario avisó que está dispuesto a concurrir al Congreso como lo reclaman legisladores de la oposición: "Voy a ir y voy a contestar todo a donde tenga que contestar sin ningún problema".
"Esta discusión de por qué estaba ahí son discusiones de tipo político, no de tipo judicial. Son cuestiones que han tratado de instalar distintos actores políticos para ponerle más incertidumbre a la que tenemos los argentinos sobre la muerte del señor fiscal y ha quedado más que claro con lo que ha dicho la fiscal", remarcó el funcionario, por radio La Red.
Berni volvió a justificar su presencia en la madrugada del lunes en la casa de Nisman, en Puerto Madero, "casi" en simultáneo con la llegada del juez Manuel de Campos y la fiscal Fein: "Está más que claro que todo lo que hemos hecho fue colaborar fuertemente para asegurar a la Justicia y, sobre todo a la familia, que todo se iba a preservar tal cual como estaba", argumentó.
La fiscal Fein, quien investiga la muerte de Nisman, rechazó esta mañana la posibilidad de convocar al secretario de Estado para que dé precisiones sobre esta cuestión.
"No lo voy a citar porque no es de mi incumbencia", remarcó la funcionaria judicial.
Este miércoles, el funcionario nacional reiteró que la madre de Nisman, que estaba en el departamento de su hijo mientras el cuerpo del fiscal yacía en el baño, le "pidió que por favor se preservara todo lo que estaba ahí".
"La madre siempre estuvo en la habitación donde estaba el baño; le mostré todo lo que estábamos haciendo para que nadie ingresara al lugar; fuimos muy cautelosos, ni siquiera ingresé al baño", precisó.
"Cuando todos deberíamos estar preocupados para saber lo que pasó, me parece que es una canallada seguir poniendo estas cosas en tela de juicio", disparó.
El secretario de Estado insistió en asegurar que, en la madrugada del lunes, en el departamento de Nisman, "nuestra acción fue limpia y transparente justamente para garantizar la transparencia del proceso".